Article Variants
Examples of use
X
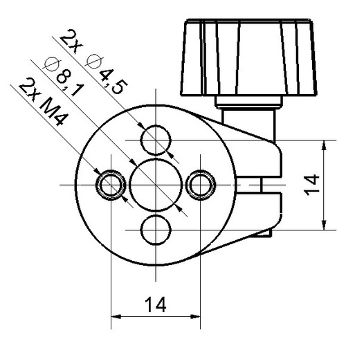
CAD-Data of Article: H2051
You will not receive any other unrequested mails in future. Please be reminded that we can't accept private e-mail-addresses (@gmail.com, @yahoo.com, ...). |
|||||||||||||||||||||||||||||||||||||||||||||||||||||||



Add sample to basket
Continuous quantity discount:





























